4/5/6系MSO示波器自发布以来,泰克始终坚持季度性固件升级,如今我们已经迎来第25次更新!
射频微Espressif代理波器件采购网(www.ic-king.com)专注整合国内外厂商的现货渠道,实时查询射频微波器件代理商的真实库存,提供合理的行业价格,放心采购射频微波器件,是国内专业的射频微波芯片采购平台。
这一承诺,不仅体现了泰克对持续改进与创新的不懈追求,更是对用户投资的最大保护。通过每一次固件升级,您都可以在现有硬件平台上解锁全新的软件功能与性能优化,从容应对未来测试的各种挑战。
那么,您是否好奇:每次更新都有哪些惊喜?
以下是最新的四次固件更新亮点速览,赶紧升级,尽享全新体验吧!
1 不断引入新的总线标准
CANXL解码与搜索(V2.8版本 发布于2024/3/11):

10BASE-T1S解码搜索与触发(V2.12版本 发布于2024/10/13):

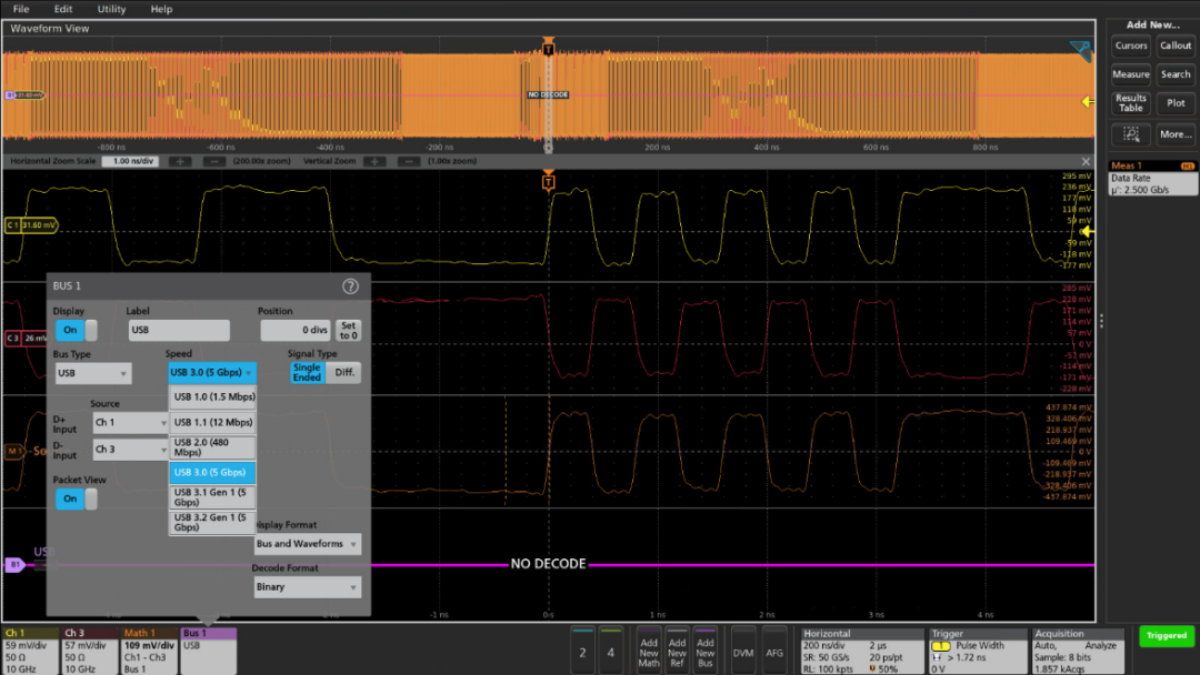
USB3.2解码与搜索(V2.10版本 发布于2024/7/19):

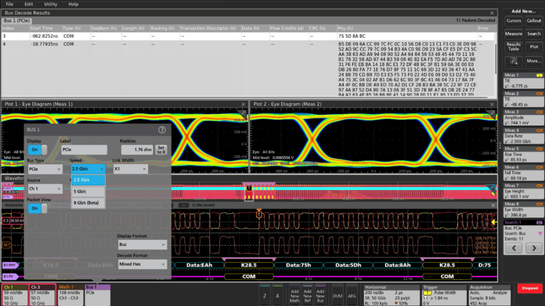
PCIe Gen1/2/3解码与搜索(V2.8版本 发布于2024/3/11):

2 不断增加新的测试应用
TDR(V2.10版本 发布于2024/7/19):

动态RDS(on) (V2.14版本发布于2024/12/21):

3 不断升级新的功能特性
TekHSI(高速接口)(V2.10版本 发布于2024/7/19):

增强的安全功能(V2.10版本 发布于2024/7/19):

双脉冲测试支持通过/失败测试(V2.8版本 发布于2024/3/11):

让您的示波器始终焕发新生机
泰克始终致力于帮助用户应对快速变化的测试需求。通过每一次固件升级,您不仅能够解锁更多功能、更高性能,还能在不增加硬件投入的情况下持续保持示波器的领先地位。这不仅是对您测试资产的最大保护,更是对未来技术发展的从容应对。
选择泰克,您选择的不仅是领先的测试设备,更是一个始终进化、陪伴成长的测试伙伴。无论您面对何种测试挑战,泰克都将通过创新技术与贴心服务,助您轻松应对,快人一步!
立即升级,让您的示波器始终焕发新生机!
- CoreWeave 提交 IPO!英伟达亲儿子去年收入暴涨 8 倍,AI 算力租赁市场爆发
- 车企扎堆人形机器人:产业链新战场 小米 / 特斯拉 / 比亚迪竞逐
- 马化腾谈机器人战略:做生态伙伴 不直接下场造硬件
- AI 芯片快速迭代引发服务器折旧加速,科技巨头面临财务挑战
- SK 海力士完成与英特尔最终交割,半导体产业格局新变化
- 大胆提议!台积电向英伟达、AMD 抛出合资经营英特尔晶圆代工橄榄枝
- 华为车 BU 分拆即将完成,业务调整
- LISI AUTOMOTIVE 上海工厂 “智变”!罗克韦尔 Plex ERP 系统打造柔性生产线
- 德州仪器新型 MCU 可实现边缘 AI 与先进实时控制,实力如何?
- Mate70 麒麟芯片首拆,芯片技术揭秘
- 2024 全球半导体 TOP10 洗牌!中企首进前三,存储巨头集体 “失速”
- 李彦宏迪拜演讲:创新本质是降本!文心一言推理成本降低 90%
同轴连接器(射频) > 同轴连接器(RF)适配器(连接器,互连器件)
晶闸管 > SCR 模块(分立半导体)
嵌入式 > FPGA(现场可编程门阵列)(集成电路(IC))
矩形连接器 > 自由悬挂,面板安装(连接器,互连器件)
晶体管 > FET,MOSFET > 单 FET,MOSFET(分立半导体)
同轴电缆(射频)(电缆组件)
同轴连接器(射频) > 同轴连接器(RF)适配器(连接器,互连器件)
共模扼流圈(滤波器)
射频屏蔽(射频和无线)
射频收发器 IC(射频和无线)
晶体管 > FET,MOSFET > 单 FET,MOSFET(分立半导体)
电源管理(PMIC) > 稳压器 - DC-DC 开关稳压器(集成电路(IC))























