制造商和消费者都在试图摆脱对化石燃料能源的依赖,电气化方案也因此广受青睐。这对于保护环境、限制污染以及减缓破坏性的全球变暖趋势具有重要意义。电动汽车 (EV) 在全球日益普及,众多企业纷纷入场,试图将商用和农业车辆 (CAV) 改造成由电力驱动。
射频微波器件采购网(www.ic-king.com)专注整合国内外厂商的现货渠道,实时查询射频微波器件代理商的真实库存,提供合理的行业价格,放心采购射频微波器件,是国内专业的射频微波芯片采购平台。
然而,这种转变使得电能需求快速增长,给电网带来了极大的压力。尽管能效很高,但电动汽车、数据中心、热泵等应用仍需要大量能源才能运行。
太阳能、风能、波浪能等新型可再生能源受到广泛欢迎,正逐渐成为主流。只有完全使用可再生能源的应用,才能被视为真正的“清洁”应用。
太阳能市场已经发展多年,相对成熟。Fortune Business Insights 的报告显示,目前太阳能市场规模估计为 2730 亿美元,到 2032 年有望增长到 4360 亿美元。2023年,北美太阳能市场占比超过了 40%。
可再生能源应用中的电源转换挑战
太阳能发电量正在迅速增长。国际能源署 (IEA) 的数据表明,2022 年,太阳能产生的电力比上一年度增长 26%,达到 1300 TWh。这标志着太阳能发电已超越风电,成为最大的可再生电力来源。
太阳能光伏 (PV) 板产生直流电 (DC),而电网需要交流电 (AC),因此中央光伏逆变器是大型并网装置不可或缺的一部分。光伏板产生的所有能量都会经过逆变器,因此逆变器效率具有重要影响。尽管太阳能取之不尽,用之不竭,但转换效率低下会导致输送到电网的能量十分有限。过程中所浪费的能量会转化为热量,进而又会构成严峻挑战,因为许多太阳能装置通常位于阳光充沛、温度较高的环境,如沙漠。
成本也是非常重要的考虑因素,可直接影响消费者的电费以及电力公司的盈利。为实现更高功率,许多中央逆变器并联使用多个转换模块,具体数量由每个模块的额定功率决定。每个模块功率容量越高,所需模块就越少,进而可以降低成本。
尽管电动汽车已经取得了长足进步,但 CAV 在向电力驱动转变方面仍进展缓慢。CAV 体型较大,每次行驶消耗的燃料和产生的排放也更多,虽然数量上仅占汽车总量的 2%,但其温室气体排放量占交通运输排放总量的 28%。虽然商用客运车(如公共汽车)的电动化已经初见成效,但大多数大型卡车、建筑机械和农业车辆(如拖拉机)仍然依赖柴油驱动。现在,情况开始发生变化。为达到欧盟、中国和美国加州等全球市场严格的零排放法规要求,预计到 2030 年,电动卡车(纯电和混合动力)销量占比将从目前的 5% 增加到 40%-50%。
相较于化石燃料商用车,电动商用车结构更简单,运动部件更少。在载重能力相同的情况下,电动车体积更小、可靠性更高、维护相关成本更低。目前电池成本大幅降低,电动 CAV 的总拥有成本已经低于内燃机 (ICE) 车辆。
与太阳能应用类似,效率也是电动 CAV 的关键要求。每辆车的电池电量有限,逆变器中转换过程的效率越高,车辆行驶距离就越长。或行驶同样的距离所需的电量就更少。
鉴于未来我们对太阳能和电动 CAV 的依赖,可靠性自然也就变得非常重要。
面向逆变器应用的先进电源技术
在三相太阳能光伏逆变器等的高功率应用中,三电平有源中性点箝位 (ANPC) 转换器是比较常见的拓扑。这种多电平拓扑结构专门用于提升系统的性能和效率。
普通中性Freescale代理商点箝位 (NPC) 转换器使用二极管将直流链路电容的中性点连接到输出端。在 ANPC 配置(图 1)中,箝位由开关执行,因此能够改善控制、减少开关损耗并提高效率,并且能相应地减少对散热措施的需求,从而有助于实现尺寸更小、成本更低的方案。
拓扑结构的布置方式降低了各个开关上的电压应力,从而提高了可靠性。此外,ANPC 还能实现对电网有利的波形。

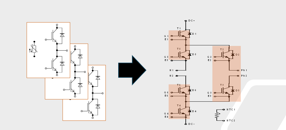
图1 可利用模块轻松构建ANPC转换器
设计工程师可以通过并联多个功率模块,例如安森美 (onsemi) 的 QDual 3 IGBT 模块,创建高性能三电平有源中性点箝位模块,其系统输出功率可达 1.6 MW 至 1.8 MW。

图2 QDual3 IGBT模块
QDual 3 模块集成了新一代 1200 V 场截止 7 (FS7) IGBT 和二极管技术,可为大功率应用提供更优异的性能。与前几代产品相比,FS7 技术显著改善了导通损耗。

图3 FS7技术增强了关键性能参数
在 FS7 IGBT 工艺中,沟槽窄台面带来了低 VCE(SAT) 和高功率密度,而质子注入多重缓冲确保了稳健性和软开关特性(图 2)。安森美中速 FS7 器件的 VCE(SAT) 低至 1.65V,适用于运动控制应用;而其 FS7 快速产品的 EOFF 仅 57 J/A,是太阳能逆变器和 CAV 等高功率应用的理想选择。

图4 FS7 IGBT尺寸更小,功率密度更高
创新型 FS7 技术使新型 QDual3 模块中的芯片尺寸比上一代缩小了 30%(图 3)。这种小型化与先进的封装相结合,可以显著提高最大额定电流。在工作温度高达 150 摄氏度的电机控制应用中,QDual3 的输出功率为 100 kW 至 340 kW,比目前市场上的其他产品高出大约 12%。
可靠性是太阳能和 CAV 应用的关键,因此模块的构造和测试方式至关重要。例如,目前有许多类似方案使用引线键合方式来固定端子,而安森美则选择采用超声波来焊接模块。后者有助于增强电流承载能力,提供更优散热路径,并且比前者更为坚固(图 4)。

图5 超声波焊接可降低温度并增强可靠性
这种方法可以提高电导率,从而减少电力损失、提升效率。此外还能降低工作温度、增强机械刚度,以及提高模块的整体可靠性。
安森美的新型高功率QDual3技术
专用 QDual 3 半桥 IGBT 模块NXH800H120L7QDSG 适用于中央太阳能逆变器、储能系统(ESS)、不间断电源(UPS);而 SNXH800H120L7QDSG 则适用于 CAV。这两款器件均基于 FS7 技术打造,VCE(SAT) 和 EOFF 有所改进,进而降低了损耗、提高了能效。
目前,若使用 600 A IGBT 模块以 ANPC/INPC 架构来设计 1.725 MW 逆变器,总共将需要 36 个模块。然而,若使用额定工作电流为 800 A 的新型 NXH800H120L7QDSG 和 SNXH800H120L7QDSG,设计所需模块数量将减少 9 个。相应地,设计的尺寸、重量和成本将节省 25%。这对于太阳能应用和 CAV 应用来说都非常有价值,因为重量减轻和效率提高,将使得车辆行驶里程有所增加。

图6 更大的电流能力支持使用更少的模块来构建系统
这些模块包含用于热管理的隔离底板和集成的 NTC 热敏电阻,并支持通过可焊接引脚将模块直接安装到 PCB 上,采用行业标准布局,有助于轻松将现有设计升级到新型 QDual3 技术。
安森美的所有 QDual3 模块均经过严格的可靠性测试,其可靠性水平超过市场上的其他同类器件。我们的湿度测试要求产品承受 960V 偏压长达 2000 小时,而同类器件仅需承受 80V 偏压 1000 小时。振动测试对于 CAV 应用至为关键,我们的产品在 30 G 峰值/10G RMS 条件下进行了长达 22 小时的测试,可满足 AQG324 要求。其他器件则是在振动水平低至 5 G 的条件下进行测试,持续时间短至 1 小时。
总结
全世界的可再生能源使用率越来越高,电网正承受着巨大压力。太阳能发电已经发展成熟,2022 年更是超过风电,成为可再生电力的主要来源。
尽管化石燃料驱动的车辆仍是主要的污染源,但 CAV 的电气化正在稳步推进,目前已初见成效。
安森美 FS7 等新型半导体技术支持开发低损耗、大功率器件,以满足这些领域的效率和可靠性需求。基于这项技术,安森美的新型 QDual3 器件采用紧凑封装,可实现高功率密度和出色能效。焊接良好的端子和超越业内其他器件的认证测试助力保障 QDual3 器件的稳健性能。
新一代 NXH800H120L7QDSG 和 SNXH800H120L7QDSG 模块电流能力高达 800 A,得益于此,逆变器设计所需的模块可减少 25%,并能够进一步简化设计、减小其体积、质量并降低成本。
这无疑是一项重大进展,安森美将继续潜心钻研 FS7 技术的高性能潜力,力求推出更多超越现有标准的模块,从而满足太阳能行业和 CAV 制造商不断增长的需求。
- 英特尔 18A 节点 SRAM 密度与台积电持平,背面功率传输成优势
- 英特尔确认已从 x86S 计划转向,仍致力于推动 x86 生态系统创新协作,战略调整
- AI 玩具市场爆发:2033 年规模达 600 亿 情感交互成核心卖点
- 蝴蝶效应获 5 亿美元融资:中国 AI 智能体 Manus 剑指全球市场
- DYXnet 线灵 AI 定制化赋能!特定场景 Scaling Law 突破,训练成本降低 60%
- 三安意法重庆厂通线!8 英寸碳化硅晶圆量产,年产能达 24 万片
- 研华 iMachine 赋能煤矿,智能化管控升级,事故率下降 60%,效率提升 40%
- 英伟达黄仁勋:DeepSeek R1 模型不会减少芯片需求,未来计算需求将更高
- 亚马逊量子芯片再突破!Ocelot 纠错技术成 “量子霸权” 基石
- Arm 自研芯片曝光:Meta 成首批客户 架构革新剑指 AI PC
- 美芝威灵热泵展亮剑:变频技术 + 智能控制 节能效率提升 40%
- DeepMind 发布 WebLI-100B:千亿级数据集 解锁 AI 多语言文化理解
同轴连接器(射频) > 同轴连接器(RF)适配器(连接器,互连器件)
RFI 和 EMI - 屏蔽和吸收材料(射频和无线)
控制器配件(工业自动化与控制)
评估板 > 射频评估和开发套件,板(开发板,套件,编程器)
射频屏蔽(射频和无线)
通孔式电阻器(电阻器)
射频开关(射频和无线)
射频收发器模块和调制解调器(射频和无线)
电阻器网络,阵列(电阻器)
晶体管 > 双极(BJT) > 双极射频晶体管(分立半导体)
RF 定向耦合器(射频和无线)
同轴连接器(射频) > 同轴连接器(RF)适配器(连接器,互连器件)























