任何有影响力的技术都伴随着一系列风险,这些风险在与汽车安全相关的系统中尤为严重。国际标准化组织 (ISO) 26262系列标准道路车辆 功能安全旨在通过提供汽车电气和电子系统功能安全的指南和要求来降低道路车辆的风险。ISO 26262 分为 12 个部分发布,于 2018 年进行了更新,以适应不断发展的汽车技术,该标准现在包含对半导体的具体要求。ISO 26262 详细说明了一种特定于汽车且基于风险的方法,用于确定风险等级 - 称为汽车安全完整性等级 (ASIL)- 这些等级是根据严重性、暴露概率和驾驶员可控性三个变量对潜在危险进行风险分析而建立的。
射频微波器件采购网(www.ic-king.com)专注整合国内外厂商的现货渠道,实时查询射频微波器件代理商的真实库存,提供合理的行业价格,放心采购射频微波器件,是国内专业的射频微波芯片采购平台。
在开发符合功能安全标准的平台时,汽车制造商需要 ASIL 系统级等级的各种分级。例如,环视、驾驶员监控以及用于高级驾驶辅助系统 (ADAS) 的雷达和激光雷达需要 ASIL D 系统级等级。与此同时,数字驾驶舱和信息娱乐系统等终端设备只需要 ASIL B 等级。此类安全关键型系统的一个首要主题是需要通过汽车电池电源可靠地为大电流片上系统 (SoC) 和多核处理器负载供电。
具有外部电压监控功能 且符合功能安全标准的设计
同步降压控制器集成电路 (IC)可在汽车设计中实现直流/直流转换,这些设计采用 12V、24V 和 48V 电池输入,满足大电流处理器负载的要求,其电流规格通常超过 100A。图 1展示了一种双输出配置,该配置在系统的每个输出上都包含一个电压监控 IC,以实现 ASIL D 功能安全合规性。

图 1:具有输出电压监控 IC 的非电池供电双路输出降压前置稳压器
图 1 中的Q3和 Q6指定在存在输出故障的情况下断开的输出断开开关。图 1所示的传统双路输出降压控制器使用电源正常 (PG1/2) 引脚将基本的诊断信息返回到系统微控制器 (MCU)。
具有同步降压控制器 且符合功能安全标准的设计
80V 双通道直流/直流降压控制器LM5137F-Q1包括为高功率 SoC 内核和 I/O 电源轨实施高效同步降压稳压器所需的所有功能。该器件所属的控制器系列提供了三个适用于功能安全的类别:TI 功能安全型、ASIL BTDK代理商 或 ASIL D,器件型号中的“F”后缀指定后两个选项。
该系列还提供电压可扩展性,支持 12V、24V 和 48V 电池输入,开关频率范围为 100kHz 至 2.2MHz。集成电荷泵栅极驱动器具有 100% 的占空比功能,并且支持真正的直通模式运行。LM5137F-Q1 还具有超低静态电流,可延长电池寿命,提高轻负载效率,并具有双随机展频(DRSS),可在各种频率下成功应对电磁干扰 (EMI)。
图 2 展示了使用 LM5137F-Q1 降压控制器的 ASIL D 系统中前置稳压器设计的完整电路原理图。该设计具有与图 1基本相同的工作规格和功率级元件,但不需要外部电压监控 IC。为了提高灵活性,您可以将降压控制器配置为具有两个交错相位的单输出实现方案(或针对要求特别严苛的高电流负载将其堆叠至四个相位)。

图 2:使用 LM5137F-Q1 降压控制器实现 ASIL D 的非电池供电双路输出降压前置稳压器
LM5137F-Q1 包含安全机制,可帮助满足ISO 26262 系统功能和硬件完整性功能安全要求,最高可达 ASIL D。此类安全机制包括模拟内置自检 (ABIST),可在允许输出启动之前验证 LM5137F-Q1 控制器和周围元件的运行状况。该器件还具有冗余输出电压监控功能,无需外部电路,并且可以节省硬件成本,减小尺寸和复杂性。其他安全机制包括高级故障报告、过流监测和报告、输出欠压和过压保护以及冗余热关断。
,功能安全降压控制器的系统级和电路级优势包括:
■ 集成式诊断功能,包括启动前的 ABIST 和正常运行期间的每通道电流监控。
■ 集成冗余,包括高级故障识别和容错功能,可降低基于时基故障 (FIT) 的故障率。
■ 不再需要补充的电压和电流监测 IC,从而减少元件数量并节省空间。
具有同步降压转换器 且符合功能安全标准的设计
具有集成开关的降压转换器提供电压和电流可扩展性,是前置稳压级的另一种选择。例如,65V、8A LM68680-Q1 和 65V、4.5ALM68645-Q1降压转换器系列可以耐受 70V 的输入瞬态,同时满足必须至少达到 ASIL C 的系统要求。这些转换器可扩展至 12V、24V 和 48V 输入,提供与上述 LM5137F-Q1 控制器相似的功能安全特性。
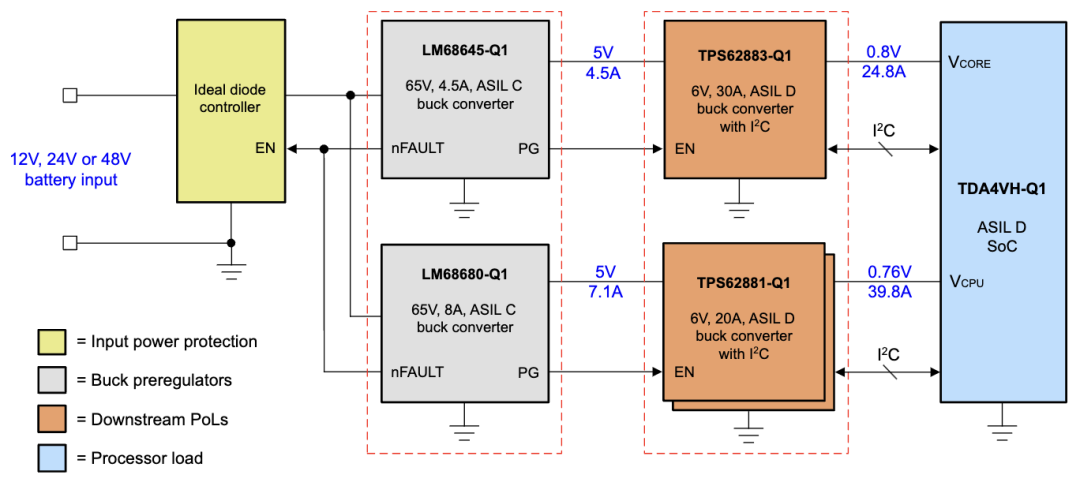
图 3 是使用 LM68680-Q1 和 LM68645-Q1 作为前置稳压器为30A TPS62883-Q1和 20A TPS62881-Q1可堆叠两相负载点 (PoL) 降压转换器供电的系统方框图。通过输出电压的差分遥感和超快速负载瞬态响应,这些 PoL 可为 ADAS 域控制器应用中使用的 JacintoTDA4VH-Q1汽车 SoC 提供严格的电压调节。

图 3:采用降压转换器为汽车 SoC 供电的系统方框图
无论选择哪种具有控制器或转换器选项的架构来为各种 SoC 电压轨供电,TI 都会提供业界通用报告和其他资源- 包括 IC 级文档,例如功能安全时基故障率和故障模式影响和诊断分析 (FMEDA) -以帮助简化您的功能安全系统级认证。
结语
随着汽车电力电子产品朝着符合功能安全标准的设计发展,这些设计具有更高的密度、更小的封装、更高的性能和更低的成本,因此必须重新思考选择降压前置稳压器功率级的控制器和转换器。在这种情况下,在设计需要高密度降压前置稳压器的系统时,实现高达 ASIL D 的功能安全合规性是面临的主要挑战之一。
当针对需要辅助监控和监控元件以实现功能安全合规性的传统控制器设计进行基准测试时,LM5137F-Q1 等降压控制器具有多项固有优势。此外,TI 的功能安全合规型具有65V 额定电压的降压转换器为低功耗设计提供了一种替代方案。
- OpenAI 甲骨文共建星际之门:6.4 万英伟达芯片入列,德州数据中心成 AI 算力枢纽
- 芯片巨头预言:2026 年 AI PC 出货破亿,Intel/AMD/NVIDIA 激烈角逐
- 春节半导体要闻 2025.2.10:中芯国际 14nm 产能满载,长江存储 128 层 3D NAND 量产
- TE Connectivity 蝉联全球最受赞赏企业!8 连冠背后,连接技术创新密码
- 半导体一周要闻 2024.12.30-莫大康:国产 GPU 厂商集体崛起,DeepSeek-V3 开源引爆行业
- 安森美果断出手,成功收购 Qorvo 旗下 SiC JFET 技术,强化自身技术实力
- 英飞凌 TRAVEO T2G 汽车 MCU 通过 ISO/SAE 21434 认证!车联网安全再升级
- 贸泽电子首秀 SPS 智造展!10 万 + 新品亮相,工业自动化迎来 “智慧升级”
- 国泰君安:2025 国产 AI 眼镜爆发元年!硬件成本下降 70%,年出货量破千万
- OpenAI 三周 12 场发布会,或将改写 AI 格局,GPT-4.5 及新硬件产品成焦点
- 星际之门 5000 亿猜想:马斯克曝 OpenAI 资金困境,软银仅注资 98 亿美元
- SkyWater 收购英飞凌工厂:8 英寸产线 强化美国本土制造
变频驱动器(VFD)(电机,电磁阀,驱动器板/模块)
评估板 > 评估和演示板及套件(开发板,套件,编程器)
端子块 > 端子块配件 > 端子块标记条(连接器,互连器件)
RF 定向耦合器(射频和无线)
同轴连接器(射频) > 同轴连接器(RF)适配器(连接器,互连器件)
接近传感器 - 工业(传感器,变送器)
片式电阻器 - 表面贴装(电阻器)
步进电机(电机,电磁阀,驱动器板/模块)
晶体管 > FET,MOSFET > 单 FET,MOSFET(分立半导体)
嵌入式 - FPGA(现场可编程门阵列)
RF 配件(射频和无线)
同轴电缆(射频)(电缆组件)























